2025年11月01日 星期六 08:37:02
欢迎访问新利·体育(中国)官方网站官网~
|
收藏网站
首页
学校概况
学校简介
领导班子
机构设置
学校荣誉
联系我们
招生就业
校企合作
招生信息
专业介绍
专业建设
机电工程部
汽车工程部
经贸信息部
基础文化部
教学科研
教学成果
学生作品
优秀教师
党群工作
党建工作
纪检监察
新时代文明实践所
理论学习
团建工作
工会活动
学生工作
学生社团
心理健康
学生资助
班主任工作室
校园相册
校园环境
学生活动
教学设备
在线报名
特种作业考培
继续教育中心简介
特种作业简介
特种作业工作
培训计划
考试安排
新利·体育(中国)官方网站
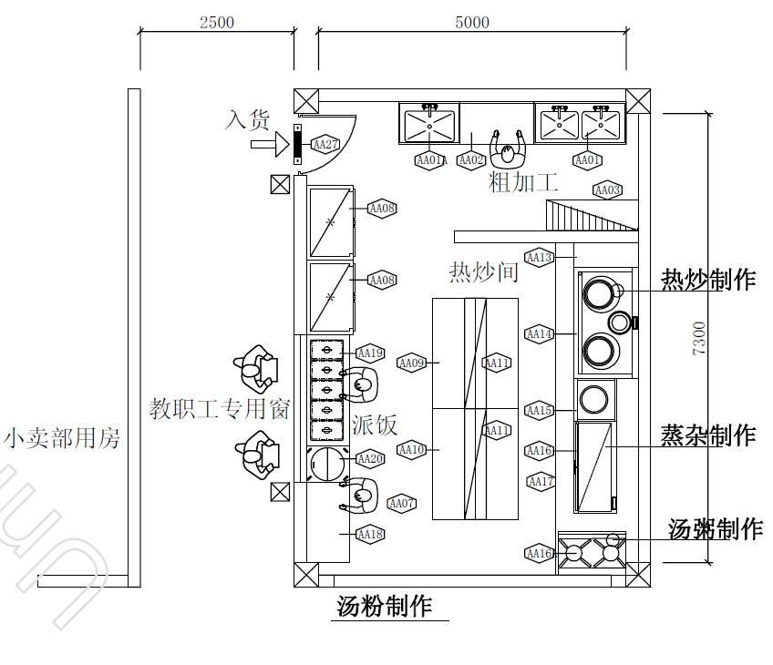
新利·体育(中国)官方网站第三食堂装修及设备采购招标公告
发布人【来源】:党政办 发布时间:2014年10月22日
学校拟对第三食堂装修及设备采购,现向社会公开招标该项目装修及采购工程。招标要求:
1.投标人必须为单位法人。
2.有意向的公司请与学校党政办公室联系到现场勘测并制定装修设计方案、设备采购方案及预算。
3.本次招标分为A、B两个分标。A:第三食堂装修,B:第三食堂专用设备采购。
4.预算上限A分标为50000元,B分标150000元。
5.投标人可单独投其中某一分标,或同时投两个分标,标书必须分A、B两份标书。
6.密封标书(包含企业资质,设计方案,设备清单及报价)交到学校党政办公室。
7.标书上交截止时间:2014年10月28日17时整。
8.联系方式:党政办公室电话:0771-2513010,联系人:许先生。
附:平面图
新利·体育(中国)官方网站
2014年10月21日
上一篇
新利·体育(中国)官方网站技能短期培训(常年)招生简章
下一篇
关于新利·体育(中国)官方网站第三食堂装修及设备采购(GXDYGYXX2014-J3-003)项目成交公告
在线
咨询
咨询热线
咨询热线
07712513032
微信咨询
公众号
关注学校公众号
返回顶部
乐动在线-乐动(中国)
|
开云手机官方版在线入口-开云(中国)
|
安博在线登录官网-安博(中国)
|
有球体育(中国)官方在线登录
|
开云网页版页面-开云online(中国)
|
K体育·「中国」官方网站
|
拼搏在线官网-拼搏(中国)
|
米兰app官网入口-米兰(中国)
|
米兰官方网页版-米兰(中国)
|